676962126
服务电话
021-69956275
13761395553
销售微信
欢迎光临上海思翰轴承有限公司官方网站!
关于我们
|
行业动态
进口轴承经销商
自建库房 型号齐全 交期短 发货快
服务咨询热线:
021-69956275
13761395553
网站首页
关于我们
产品展示
轴承品牌
KAYDON
SKF轴承
FAG轴承
NTN轴承
NSK轴承
INA轴承
TIMKEN轴承
IKO轴承
技术支持
行业动态
应用领域
联系我们
产品库存
类型:
-- 全部 --
调心球轴承
深沟球轴承
角接触球轴承
圆柱滚子轴承
圆锥滚子轴承
推力球轴承
推力圆柱滚子轴承
调心滚子轴承
推力角接触球轴承
滚针轴承
外球面轴承
关节轴承
万向节轴承
转盘轴承
满装滚子轴承
组合轴承
滑动轴承
平面轴承
微型轴承
英制轴承
非标轴承
法兰轴承
陶瓷轴承
不锈钢轴承
塑料轴承
高温轴承
无油轴承
薄壁轴承
离合器轴承
铁路轴承
轧机轴承
叉车轴承
整体偏心轴承
滚珠丝杠轴承
交叉滚子轴承
推力调心滚子轴承
品牌:
-- 全部 --
KAYDON
SKF轴承
FAG轴承
NTN轴承
NSK轴承
INA轴承
TIMKEN轴承
IKO轴承
KOYO轴承
ZWZ轴承
LYC轴承
新型号:
内径:
外径:
厚度:
首页
>
产品详情
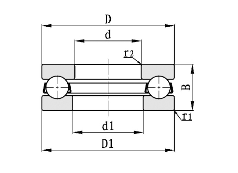
F7-17
新型号:F7-17
旧型号:F7-17
轴承品牌:NSK轴承
轴承系列:平面轴承
内径:6 mm
外径:17 mm
厚度:3 mm
咨询热线:
13761395553
676962126
在线客服
产品详情
推力球轴承采用高速运转时可承受推力载荷的设计,由带有球滚动的滚道沟的垫圈状套圈构成。由于套圈为座垫形,因此,推力球轴承被分为平底座垫型和调推力球轴承心球面座垫型两种类型。另外,这种轴承可承受轴向载荷,但不能承受径向载荷
平面轴承 相关产品信息